Lampa led zasilana li-ion

czyli przedsionki, daszki, leżaki, etc. ...
Awatar użytkownika
kooba
Administrator
Administrator
Posty: 5975
Rejestracja: środa, 13 cze 2012, 10:00
Lokalizacja: Lublin
Kontaktowanie:

Lampa led zasilana li-ion

Postautor: kooba » poniedziałek, 20 kwie 2020, 23:05

Wszystkim dookoła pandemia sprzyja w pracach domowych, a ja jakoś odkąd musiałem zacząć pracować z domu to jeszcze bardziej nie mam na nic czasu i do tego zaczęło przeplatać się życie prywatne ze służbowym.
Los przyszedł jednak z pomocą i padnięty zasilacz od lampki na biurku zmusił mnie do wyjęcia lutownicy. Jak już miałem ją na burku to i przysiadłem wreszcie do lampki led zasilanej li-ion, o której rozprawialiśmy z Pavulonem.

Na początek lista części:
  • Rzeczona lampa
  • 3 ogniwa li-ion 18650
  • Sterownik do ogniw li-ion
  • Żarówka led 12V 4,5W + gniazdo
  • Wskaźnik naładowania ogniw (taki ekstras)
Plan jest taki, że ogniwa łączymy do sterownika każde oddzielnie. Do styków 12V sterownika podłączamy równolegle ładowanie i odbiornik. Dodatkowo również równolegle tester naładowania. Oczywiście odbiornik i tester mają swoje wyłączniki.
Cały ten plan ma jedną wadę i już na początku wymaga odpowiednich warunków do ładowania. 3 ogniwa li-ion to 12,6V, więc do ładowania będzie wymagane pełne słońce na solarze lub odpalone auto bo aku w stanie nazwijmy to "spoczynku nocnego" będzie miał za małe napięcie żeby ładować lampkę. Zobaczę na pierwszych wyjazdach na ile to rozwiązanie będzie problematyczne. Jeżeli okaże się, że uzyskanie napięcia wyższego niż 12,6V jest zbyt rzadkie to dorzucę jeszcze do układu przetwornicę step-up. Jednak żeby to zrobić muszę przeprowadzić dokładniejsze badania przetwornicy przy różnych napięciach dlatego na razie odpuszczam tę część projektu.
20200420_215251.jpg

20200420_215301.jpg

Zacząłem od sklejenia ogniw taśmą w pakiet żeby można było je później połączyć elektrycznie i mieć jako całość.
20200420_215903.jpg

Niestety tutaj zabawa się na razie skończyła bo ni jak nie da się do ogniw przylutować kawałka przewodu. Wyjścia z tego problemu są dwa. Można dać ogniwa do zakładu, który przyspawa do nich blaszki, do których będzie można dalej lutować lub zakup koszyka na ogniwa.
Ja wybrałem opcję drugą ponieważ daje ona możliwość łatwej wymiany ogniw gdyby coś padło.
817a6bf348f78b46b850867133f6.jpg

Jak przyjdzie paczka z koszykiem to ruszam dalej skoro już mam do wszystko na biurku :)

Awatar użytkownika
Pavulon
Fanklubowicz
Fanklubowicz
Posty: 509
Rejestracja: wtorek, 30 lip 2019, 13:01
Lokalizacja: Rudy Raciborskie

Re: Lampa led zasilana li-ion

Postautor: Pavulon » wtorek, 21 kwie 2020, 09:49

Super ...czekam na dalszy rozwój i instrukcję dla "lajkonika" co jak polutować .
Jak by Ci sie chciało to mile widziane linki do zakupów :)

Marcin4x4
Posty: 136
Rejestracja: poniedziałek, 15 sie 2016, 21:27

Re: Lampa led zasilana li-ion

Postautor: Marcin4x4 » czwartek, 23 kwie 2020, 22:42

Ja ostatnio kupiłem na Ali jakiś mocny specyfik do lutowania - domyślam się, że jest to jakiś kwas. Bardzo dobrze działa, bez problemu da się lutować np. ogniwa.

I przy okazji - mam sporo dobrej jakości ogniw 18650 z demontażu (z blaszkami) - gdyby ktoś potrzebował do jakichś eksperymentów.
Pozdrawiam!
Marcin

Awatar użytkownika
kooba
Administrator
Administrator
Posty: 5975
Rejestracja: środa, 13 cze 2012, 10:00
Lokalizacja: Lublin
Kontaktowanie:

Re: Lampa led zasilana li-ion

Postautor: kooba » poniedziałek, 4 maja 2020, 22:50

Przyszedł koszyczek to i temat trochę pchnięty. Akumulatory pasują jak ulał.
20200503_205130.jpg

Akumulatory łączymy szeregowo i do tego od każdy plus z akumulatora łączymy do odpowiedniego przyłącza w module sterowania.
20200504_074608.jpg

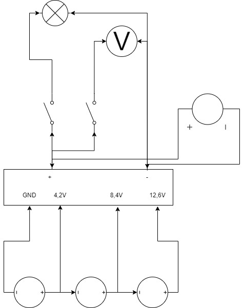
W zasadzie temat akumulatorów mamy załatwiony. Tak jak pisałem moduł ma uniwersalne styki +/- do których podłącza się odbiorniki i ładowanie. W mojej lampie będzie oprócz żarówki jeszcze pomiar stanu akumulatorów. Całość połączona według takiego schematu
Lampa li-ion.jpg

Na razie lampa jest w wersji "desktop" i przechodzi testy
20200503_233314.jpg

20200503_233416.jpg

20200504_003214.jpg

20200504_003800.jpg

Żarówka 4,5W daje całkiem sporo światła, a na zakupionych akumulatorach (2250 mAh) świeciła prawie 5h.
Moduł wygląda, że działa prawidłowo. Gdy napięcie na ogniwach spadło do 2,8V odciął odbiorniki żeby zapobiec nadmiernemu rozładowaniu. Kontrola ładowania też całkiem nieźle, na początku widać było na amperomierzu stały pobór, a po jakimś czasie jak ogniwa wzrosły do około 4V moduł zaczął pobierać coraz mniej i z przerwami czyli próbkował ogniwa żeby nie przeładować. Zastanawiam się jeszcze co z kontrolną napięcia ładowania bo gdy podałem zasilanie około 15V to moduł nie zaprotestował, ale pchał w akumulatory prawie 8A. Co prawda palcowa kontrola temperatury ogniw przy takim ładowaniu nie wykazała zbyt niepokojących wyników, ale to jednak trochę za dużo. Poza tym temperatura była akceptowalna, ale to jednak wersja "desktop" i w zamkniętej puszce/lampie do tego w ciepły letni dzionek ogniwa mogą się już za bardzo rozgrzać.
20200504_131915.jpg

Będę tę kwestię jeszcze badał. 15V było oczywiście dla testu ekstremum. Zrobię jeszcze kilka testów przy wartościach zbliżonych do realiów czyli 13-14V. W zależności od wyników będę myślał czy jest potrzeba ograniczania napięcia wejściowego.

Linki do alledrogo do elektroniki (żarówkę i wyłączniki pozostawiam wedle uznania):
Ogniwa https://allegro.pl/oferta/akumulator-ogniwo-sony-18650-vtc4-30a-us18650vtc4-8553883105
Moduł https://allegro.pl/oferta/modul-bms-3s-20a-12-6v-18650li-ion-ladowarka-balan-8923005509
Wskaźnik naładowania https://allegro.pl/oferta/wskaznik-naladowania-akumulatora-li-ion-3s-12-6v-8922876698
Koszyk https://allegro.pl/oferta/koszyk-baterii-18650-x-3-8423172680

Można pominąć koszyk kupując ogniwa z blaszkami do lutowania. Ja już kupiłem ogniwa bez musiałem pójść tą drogą, jednak drugi raz pewnie zrobiłbym tak samo bo w razie padnięcia ogniwa wymiana jest zdecydowanie łatwiejsza.

Awatar użytkownika
Pavulon
Fanklubowicz
Fanklubowicz
Posty: 509
Rejestracja: wtorek, 30 lip 2019, 13:01
Lokalizacja: Rudy Raciborskie

Re: Lampa led zasilana li-ion

Postautor: Pavulon » czwartek, 7 maja 2020, 17:50

Super Kooba a kwestia ładowarki, jakaś uniwersalna 12V?

Awatar użytkownika
kooba
Administrator
Administrator
Posty: 5975
Rejestracja: środa, 13 cze 2012, 10:00
Lokalizacja: Lublin
Kontaktowanie:

Re: Lampa led zasilana li-ion

Postautor: kooba » czwartek, 7 maja 2020, 23:12

Lampa poskładana :)
Niestety nigdy nie byłem mocny z prac plastycznych, więc osadzenie żarówki wyszło po szkolnemu "bardzo dobrze siadaj trzy minus".
20200506_000913.jpg

Poza tym muszę powiedzieć, że jest całkiem całkiem.
Wskaźnik naładowania udało się wcelować w otwór po korbce do nakręcania, więc jedna praca plastyczna mi odpadła.
20200506_000931.jpg

Udało się też wykorzystać oryginalny wyłącznik mający 4 stany:
1. Wyłączony
2. Włączony obwód 1
3. Włączony obwód 2
4. Włączone obwody 1 i 2
Podłączyłem więc pod obwód 1 tester naładowania, a pod 2 żarówkę. I tak sobie klikam :)
20200506_000946.jpg

20200506_001015.jpg

20200506_001034.jpg

Żarówka 4,5W jest dość mocna i niestety w tej akurat lampie dość na wierzchu co czasem może być problematyczne, ale zobaczcie sami.
Zdjęcia robione na tarasie szerokości 3m w ciemniutką noc.
Zapalony tylko tester nładowania żeby zobrazować ciemność
20200506_001429.jpg

I uruchomiona lampa
20200506_001502.jpg

Tak jak wspominałem żarówka jest mocna i z takiego konta jak stałem będzie uciążliwa bo razi w oczy. Zobaczcie jednak jak jest gdy lampę powiesimy nad głową.
20200506_001610.jpg

Pavulon pisze:Super Kooba a kwestia ładowarki, jakaś uniwersalna 12V?

Tutaj trzeba dobrać rozwiązanie do potrzeb.
Moduł w parametrach technicznych ma wymagane zasilanie między 12,6V a 13,6V. Testy wykazały, że już w tak małym zakresie jest duża różnica w amperażu ładowania. Przy 13,6V ładowanie jest bardzo szybkie, ale na początku moduł pcha w ogniwa 5A. To bardzo dużo. Temperatura jest przy tym akceptowalna, ale takie ilości A znacznie skrócą żywotność ogniw. Poładowałem ogniwa kilka razy z różnymi napięciami i wyszło mi, że najlepiej będzie ustabilizować napięcie ładowania na poziomie 12,8V.

Zakładam, że lampa ma być możliwa do łatwego zbudowania przez zwykłego szarego obywatela nie będącego elektronikiem z podzespołów łatwo dostępnych na rynku. W związku z tym trzeba odpowiedzieć sobie na pytanie gdzie będziemy ją ładować i z czego.
A. Ładowanie zawsze z 230V:
Gniazdo lampy podłączamy do modułu, a do ładowania używamy zasilacza zewnętrznego 12V tylko z regulacją żeby można trochę podbić. Bardzo szybka (około dwu minutowa) analiza rynku wykazała, że łatwo nie jest, ale da się i znalazłem np. taki do kamer monitoringu. Podkręcamy go do 12,8V (powinno się udać) i mamy ładowanie.
B. Ładowanie zawsze w przyczepie z aku i solara:
Wtedy musimy jeszcze pomiędzy gniazdo lampy a moduł wstawić przetwornicę stepdown i ustawić ją na 12,8V. Ładujemy tak po prostu z gniazdka zapalniczki w przyczepie, które chyba każdy z nas ma. Możemy też ładować z samochodu, ale to raczej w trakcie jazdy gdy alternator daje 14,4V.
C. Ładowanie z USB 5V
Wstawiamy zamiast zwykłego gniazda przetwornicę stepup z gniazdem micro USB, ustawiamy na 12,8V podłączamy do modułu i gotowe. W micro USB podajemy oczywiście zasilanie z ładowarki do telefonu.

Opcja C wydaje się najbardziej uniwersalna, ale nie wiem czy nie będzie wymagała mocnego źródła zasilania 5V żeby była skuteczna. Uniwersalna oznacza dla mnie możliwość użycia ładowarki do telefonu. Tam max co dostaniemy to 2A na 5V. Mam poważne obawy czy po podbiciu do 12,8V uzyskamy sensowny amperaż pozwalający naładować lampę w skończonym czasie.
Ja planuję używać lampy może nie jedynie, ale głownie w przyczepie dlatego decyduję się na opcję B. Gdyby życie pokazało, że będę też ładował z 230V to pomyślę wtedy o jakimś zasilaczu z 230V na 14V lub 20V żeby nie likwidować przetwornicy do ładowania w przyczepie.

Samoogon

Re: Lampa led zasilana li-ion

Postautor: Samoogon » czwartek, 7 maja 2020, 23:37

Wszystko ok, tylko opcja b nie do końca zadziała.
Nie jestem elektronikiem, ale chyba ciężko będzie znaleźć przetwornice która działa bez spadku napięcia. Każda potrzebuje około 2V ,a z tego wychodzi że napięcie musiałby być minimum 14.8V co jaki wiadomo jest niemożliwe bo często spada nawet poniżej 12V, co wtedy?

Awatar użytkownika
kooba
Administrator
Administrator
Posty: 5975
Rejestracja: środa, 13 cze 2012, 10:00
Lokalizacja: Lublin
Kontaktowanie:

Re: Lampa led zasilana li-ion

Postautor: kooba » piątek, 8 maja 2020, 09:17

Nie miałem pod ręką wolnej przetwornicy żeby zrobić testy. Dziś powinna do mnie dojść paczka z zakupami.
Mam po cichu nadzieję, że przetwornica jak będzie dostawała mniejsze napięcie to poda to co jest bez obniżania, ale muszę to sprawdzić.

Awatar użytkownika
kooba
Administrator
Administrator
Posty: 5975
Rejestracja: środa, 13 cze 2012, 10:00
Lokalizacja: Lublin
Kontaktowanie:

Re: Lampa led zasilana li-ion

Postautor: kooba » środa, 13 maja 2020, 23:22

Zrobiłem testy przetwornicy stepdown i jest dobrze. Opis opisem a testy pokazały, że przetwornica jak ma równo lub poniżej zadanej wartości wyjściowej to przepuszcza co dostaje. Obstawiam, że po prostu nie działa bo jak zejdę poniżej 2V i gaśnie na niej dioda to też przekazuje to co dostaje.

Muszę jeszcze zrobić test ładowania na napięciu 11V-11,5V (zupełnie o tym zapomniałem) i zobaczyć jak zachowa się moduł. Zobaczymy czy cokolwiek będzie ładował, a jeżeli tak to ile da radę. Tylko najpierw muszę lampę wyświecić :)

Samoogon

Re: Lampa led zasilana li-ion

Postautor: Samoogon » czwartek, 14 maja 2020, 00:06

No to świeć i testuj :)

Awatar użytkownika
kooba
Administrator
Administrator
Posty: 5975
Rejestracja: środa, 13 cze 2012, 10:00
Lokalizacja: Lublin
Kontaktowanie:

Re: Lampa led zasilana li-ion

Postautor: kooba » wtorek, 2 cze 2020, 14:11

Testy na żywym organizmie pokazały, że przy napięciu 11,7V ładowanie jest, ale takie sobie. Dla przypomnienia najlepsze ładowanie (szybkość ładowania i nie za dużo A) jest przy 12,8V.
Wniosek z tego, że albo ładujemy w pełnym słoneczku gdy na aku jest więcej albo podnosimy napięcie sztucznie.

Podsumowując ładowanie:
1. Ładując z sieci celujemy ładowarką w 12,8V lub (co łatwiejsze) stosujemy przetwornicę stepdown ustawioną na 12,8V i ładowarkę 14-30V
2. Ładując w przyczepie/samochodzie stosujemy przetwornicę stepdown ustawioną na 12,8V i ładujemy w pełnym słońcu lub na odpalonym silniku. To oczywiście pozostawia nam też możliwość ładowania ładowarką 14-30V.
3. Najbardziej uniwersalne rozwiązanie to zastosowanie przetwornicy stepup ustawionej na 15V, a następnie przetwornicy stepdown ustawionej na 12,8. To rozwiązanie jest nieco karkołomne i wprowadza pewne straty , ale pamiętajmy pierwotne założenie, że układ ma być prosty do zbudowania przez zwykłego kowalskiego z komponentów dostępnych na rynku. Budowa układu zasilania/ładowania się w tym założeniu nie mieści. To rozwiązanie daje nam możliwość ładowania w zakresie 2-30V.

Ja na razie pozostaję na wersji 2 bo jak nie będzie słoneczka do ładowania to i lampa do siedzenia na dworze nie będzie potrzebna.


Wróć do „Outdoor”

Kto jest online

Użytkownicy przeglądający to forum: Obecnie na forum nie ma żadnego zarejestrowanego użytkownika i 9 gości