Wpięcie przetwornicy w instalację z solarkiem i energoblokiem.
Wpięcie przetwornicy w instalację z solarkiem i energoblokiem.
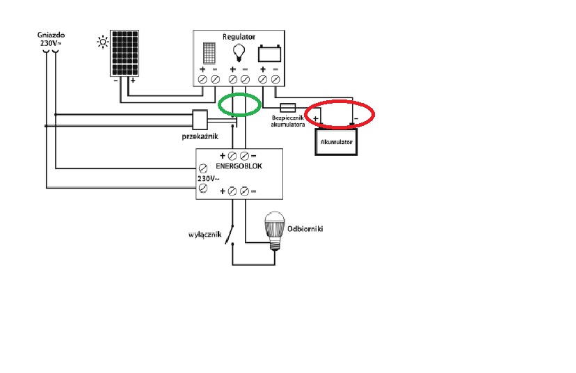
Którą opcję najlepiej wybrać do podłączenia przetwornicy? Kółkami zaznaczyłem miejsca potencjalnych podłączeń. Dodam,że z energobloku zasilane są tylko: oświetlenie led (w sumie max 15W), pompka wody, pompka spłuczki, iskrownik lodówki i dwa gniazda usb po 2A każde. Przetwornica ma zasilać monitor oraz dekoder DVBT jako zestaw TV i od czasu do czasu podładować lapka.
Przetwornica ma stać obok akumulatora i regulatora w przednim luku/bakiście mojego Kipa a solar będzie podłączony w miarę potrzeb i ustawiany na stojaku obok przyczepy więc wszystkie długości przewodów będą bardzo małe aby zmniejszyć straty.
Przetwornica ma stać obok akumulatora i regulatora w przednim luku/bakiście mojego Kipa a solar będzie podłączony w miarę potrzeb i ustawiany na stojaku obok przyczepy więc wszystkie długości przewodów będą bardzo małe aby zmniejszyć straty.
2021 rok 640 km i 7 nocek 
2022 rok 4890 km i 35 nocek
2023 rok 3450 km i 38 nocek
2024 rok 1150 km i 7 nocek
2022 rok 4890 km i 35 nocek
2023 rok 3450 km i 38 nocek
2024 rok 1150 km i 7 nocek
-
Samoogon
Re: Wpięcie przetwornicy w instalację z solarkiem i energoblokiem.
No moje oko czerwony rozładuje Ci aku, pod zielonym regulator odetnie Ci zasilanie poniżej 11.5V czyli zabezpiecza akumulator.
Re: Wpięcie przetwornicy w instalację z solarkiem i energoblokiem.
Samoogon pisze:No moje oko czerwony rozładuje Ci aku, pod zielonym regulator odetnie Ci zasilanie poniżej 11.5V czyli zabezpiecza akumulator.
Jest to logiczne pod warunkiem,że będzie przez regulator puszczony prąd mniejszy niż 10A bo takowy regulator posiadam obecnie. Monitor ma pobór ok 40 W a dekoder DVBT 6W co daje około 50W czyli prąd w okolicach 4A( 50W/12V) ale biorąc pod uwagę sprawność przetwornicy to będzie on większy. A może podłączyć przetwornicę przez przekaźnik do akumulatora a zasilenie cewki przekaźnika dać na wyjście odbiorników z regulatora. Czyli jak regulator "wyczuje" spadek napięcia poniżej minimum to odetnie odbiorniki i przy okazji przekaźnik a ten odłączy napięcie na przetwornice.
EDIT:
Jaki przekaźnik kupić żeby cewka była zasilana z sieci AC 230V ale żeby załączał lub rozłączał urządzenia zasilane DC 12V ?
2021 rok 640 km i 7 nocek 
2022 rok 4890 km i 35 nocek
2023 rok 3450 km i 38 nocek
2024 rok 1150 km i 7 nocek
2022 rok 4890 km i 35 nocek
2023 rok 3450 km i 38 nocek
2024 rok 1150 km i 7 nocek
-
Samoogon
Re: Wpięcie przetwornicy w instalację z solarkiem i energoblokiem.
Ale to chyba cewke powinneś mieć właśnie na 12v (podłączona pod wyjście na odbiorniki z regulatora) i resztę pod 12z aku.
Czyli taki miks, zasilanie przewodnicy z aku(czerwony), ale sterowane prądem na cewke przekaźnika z regulatora(zielony).
To wychodzi, że podejdzie Ci normalny samochodowy przekaźnik 40A.
Czyli taki miks, zasilanie przewodnicy z aku(czerwony), ale sterowane prądem na cewke przekaźnika z regulatora(zielony).
To wychodzi, że podejdzie Ci normalny samochodowy przekaźnik 40A.
Re: Wpięcie przetwornicy w instalację z solarkiem i energoblokiem.
Samoogon pisze:Ale to chyba cewke powinneś mieć właśnie na 12v(podłączona pod wyjście na odbiorniki z regulatora) i resztę pod 12z aku.
Czyli taki miks, zasilanie przewodnicy z aku(czerwony), ale sterowane prądem na cewke przekaźnika z regulatora(zielony).
To wychodzi, że podejdzie Ci normalny samochodowy przekaźnik 40A.
Chodziło mi o przekaźnik który będzie odpinał ładowanie akumulatora z energobloku po podłączeniu do sieci tak jak w tym schemacie który wkleiłem.
Edit:
Nie ładowanie a zasilenie odbiorników z akumulatora przez regulator .
2021 rok 640 km i 7 nocek 
2022 rok 4890 km i 35 nocek
2023 rok 3450 km i 38 nocek
2024 rok 1150 km i 7 nocek
2022 rok 4890 km i 35 nocek
2023 rok 3450 km i 38 nocek
2024 rok 1150 km i 7 nocek
-
Samoogon
Re: Wpięcie przetwornicy w instalację z solarkiem i energoblokiem.
Aaa... to cewka na 230V, a styki to imho nie ma znaczenia jaki prąd dc czy ac, będzie działać.
Re: Wpięcie przetwornicy w instalację z solarkiem i energoblokiem.
Przetwornica najlepiej podłączyć bezpośredni do akumulatora, poza tym przetwornice często mają zabezpieczenie lub sygnalizację przed nadmiernym rozładowaniem akumulatora więc poczytaj instrukcje od swojej.
Ja dawałem taki przekaźnik tylko 10 A http://allegro.pl/przekaznik-omron-2p-2 ... 28365.html
Ja dawałem taki przekaźnik tylko 10 A http://allegro.pl/przekaznik-omron-2p-2 ... 28365.html
Fiat Burstner 535-2 2.8 idTD , wcześniej: Knaus Sport 400 LK , Adria Unica 5204 , Chateau Cantara 908 i N126n
- Fiacior75
- Fanklubowicz

- Posty: 1945
- Rejestracja: niedziela, 7 cze 2015, 22:02
- Lokalizacja: Ruda Śląska
Re: Wpięcie przetwornicy w instalację z solarkiem i energoblokiem.
Przyjedziesz do Koszęcina usiądziemy, weźmiesz kartkę papieru i ja postaram się ci to wszystko narysować jak masz podłączyć, żeby było dobrze.
- Miron EZD
- Fanklubowicz

- Posty: 2174
- Rejestracja: poniedziałek, 18 wrz 2017, 21:41
- Lokalizacja: Zduńska Wola
Re: Wpięcie przetwornicy w instalację z solarkiem i energoblokiem.
Popieram kolegę Reflexesa, z racji prądu jaki jest pobierany z akumulatora przez przetwornicę należy zastosować przewody
o dość dużym przekroju i podłączyć bezpośrednio do niego.
o dość dużym przekroju i podłączyć bezpośrednio do niego.
Re: Wpięcie przetwornicy w instalację z solarkiem i energoblokiem.
Fiacior75 pisze:Przyjedziesz do Koszęcina usiądziemy, weźmiesz kartkę papieru i ja postaram się ci to wszystko narysować jak masz podłączyć, żeby było dobrze.
Mimo szczerych chęci nie mam fizycznej możliwości
2021 rok 640 km i 7 nocek 
2022 rok 4890 km i 35 nocek
2023 rok 3450 km i 38 nocek
2024 rok 1150 km i 7 nocek
2022 rok 4890 km i 35 nocek
2023 rok 3450 km i 38 nocek
2024 rok 1150 km i 7 nocek
- kooba
- Administrator

- Posty: 5972
- Rejestracja: środa, 13 cze 2012, 10:00
- Lokalizacja: Lublin
- Kontaktowanie:
Re: Wpięcie przetwornicy w instalację z solarkiem i energoblokiem.
Przekaźnik odpinający odbiorniki od akumulatora po podłączeniu 230V lepiej dać zwykły samochodowy, a cewkę zasilić z zasilacza 12V.
1. W razie awarii kupisz taki przekaźnik na stacji benzynowej
2. Masz możliwość pracy odbiorników 12V z akumulatora bez odłączania 230V.
1. W razie awarii kupisz taki przekaźnik na stacji benzynowej
2. Masz możliwość pracy odbiorników 12V z akumulatora bez odłączania 230V.
Niewiadów N126n
Niewiadów N132T
Hobby 560 UFE
Dethleffs Camper 530 FSK
Adria Twin 640 SHX
RollerTeam Kronos 284TL
KIA Sorento '21
Jeep Grand Cherokee '01 - upgrade
active
unread
Mądrość przychodzi z wiekiem, ale niestety często wiek przychodzi sam
Niewiadów N132T
Hobby 560 UFE
Dethleffs Camper 530 FSK
Adria Twin 640 SHX
RollerTeam Kronos 284TL
KIA Sorento '21
Jeep Grand Cherokee '01 - upgrade
active
unread
Mądrość przychodzi z wiekiem, ale niestety często wiek przychodzi sam
Re: Wpięcie przetwornicy w instalację z solarkiem i energoblokiem.
Kuba masz rację i tak miałem w ence ale mój energoblok ma funkcję ładowania akumulatora (Na wyjściu odbiorników jest 12V a na przewodzie do aku jest 13.8 V )Akumulator jest podpięty obecnie pod energoblok i on sam automatycznie po odłączeniu 230V przełącza na zasilenie z Aku.Zależy mi na tym żeby właśnie odciąć aku od niego po podpieciu się do sieciTo rozwiązanie które proponujesz z przekaźnikiem zda egzamin pod warunkiem,że podłączę inny zasilacz 12V pod cewkę przekaźnika.A po odcięciu aku przez stycznik mogę podłączyć go pod zwykły prostownik lub ładować solarem.
I właśnie zamiast przekaźnika 230 V dam stycznik NC i zamontuje go na szynie obok bezpiecznika sieciowego.Co do przetwornicy to jest ona z UPSa i nie mam pojęcia czy ma takie zabezpieczenie przed rozładowaniem.Na wszelki wypadek wstawię przekaźnik żeby po odłączeniu przez regulator odbiorników,odcinało również przetwornicę.Przewody mam takie jak do solarów o przekroju 4mm2 więc raczej nie będą za słabe.
I właśnie zamiast przekaźnika 230 V dam stycznik NC i zamontuje go na szynie obok bezpiecznika sieciowego.Co do przetwornicy to jest ona z UPSa i nie mam pojęcia czy ma takie zabezpieczenie przed rozładowaniem.Na wszelki wypadek wstawię przekaźnik żeby po odłączeniu przez regulator odbiorników,odcinało również przetwornicę.Przewody mam takie jak do solarów o przekroju 4mm2 więc raczej nie będą za słabe.
2021 rok 640 km i 7 nocek 
2022 rok 4890 km i 35 nocek
2023 rok 3450 km i 38 nocek
2024 rok 1150 km i 7 nocek
2022 rok 4890 km i 35 nocek
2023 rok 3450 km i 38 nocek
2024 rok 1150 km i 7 nocek
Re: Wpięcie przetwornicy w instalację z solarkiem i energoblokiem.
Testuję UPSa z obciążeniem 150W,sprawdzę czy ma zabezpieczenie przed nadmiernym rozładowaniem aku.Nie zauważyłem żeby się cokolwiek grzał.
Wylutowałem na stałe zainstalowany bezpiecznik i na jego miejsce wlutowałem gniazdo żeby w razie czego można było łatwo wymienić.
Wylutowałem na stałe zainstalowany bezpiecznik i na jego miejsce wlutowałem gniazdo żeby w razie czego można było łatwo wymienić.
2021 rok 640 km i 7 nocek 
2022 rok 4890 km i 35 nocek
2023 rok 3450 km i 38 nocek
2024 rok 1150 km i 7 nocek
2022 rok 4890 km i 35 nocek
2023 rok 3450 km i 38 nocek
2024 rok 1150 km i 7 nocek
Re: Wpięcie przetwornicy w instalację z solarkiem i energoblokiem.
Dobra.
ups to nie był dobry pomysł
. Po godzonie się sfajczył
Zamówiłem przetwornicę 500W/1000W i powinna spokojnie dać radę.
Solar podpięty i ładuje aku
Zamówiłem przetwornicę 500W/1000W i powinna spokojnie dać radę.
Solar podpięty i ładuje aku
2021 rok 640 km i 7 nocek 
2022 rok 4890 km i 35 nocek
2023 rok 3450 km i 38 nocek
2024 rok 1150 km i 7 nocek
2022 rok 4890 km i 35 nocek
2023 rok 3450 km i 38 nocek
2024 rok 1150 km i 7 nocek
-
dzin1975
Re: Wpięcie przetwornicy w instalację z solarkiem i energoblokiem.
Jak rozwiązałeś sprawę stojaka do solara?
Kto jest online
Użytkownicy przeglądający to forum: Obecnie na forum nie ma żadnego zarejestrowanego użytkownika i 10 gości
